EN
中
首页
关于我们
新闻动态
产品列表
客户服务
联系我们
横线
当前位置:
首页
>
产品列表
>
相机产品
>
ID系列
ID系列
ID130C
性能
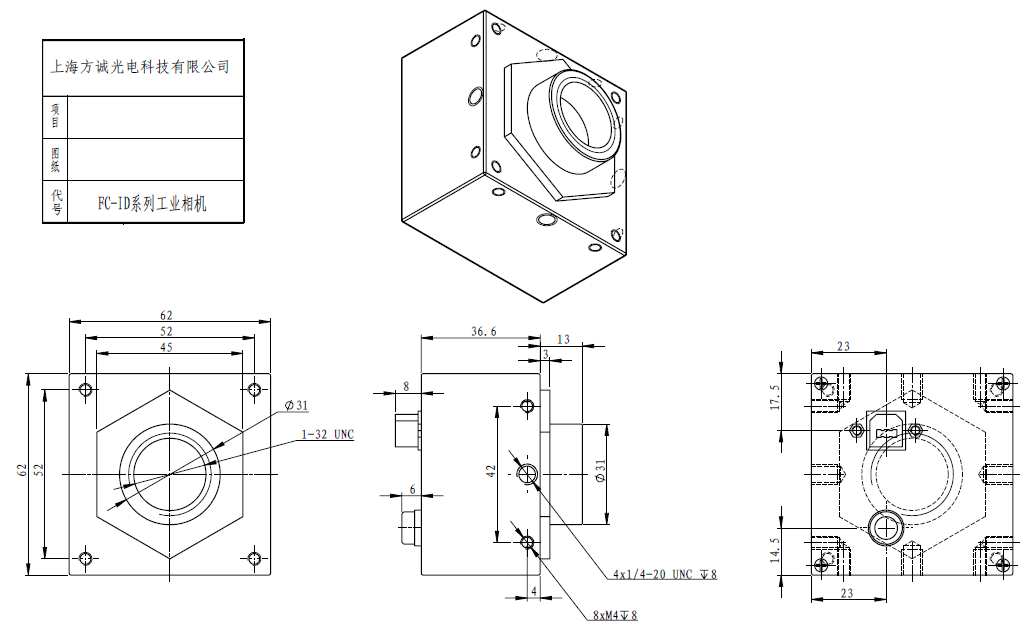
尺寸
软件支持
文档下载
FC-ID系列工业相机用户手册Ver3.3
相机产品
相机软件
相机配件
相机查找
请选择接口
选择
USB2.0
USB3.0
1394A
GIGE
请选择分辨率
请选择帧频
请选择产品
[SEARCH]
相机选择器